
德國款
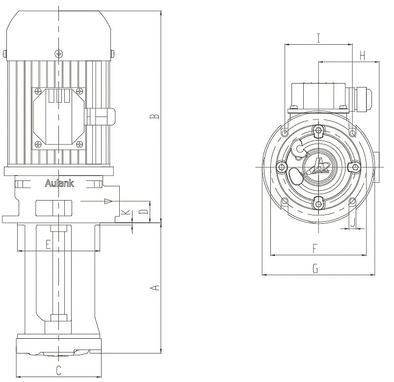
T-601/701款立式高溫熱油泵特點:
1、泵體采用全銅材質,外觀精美
2、配合精密,性能穩定
3、噪音低,振動小
4、高揚程,流速快
5、泵頭倒浸在循環介質內,永無泄露
6、倒立安裝,節省空間,現場維修保養簡單
德國款
T-601/701款立式高溫熱油泵用途例:
1、橡膠擠出設備
2、機床冷卻液循環
3、模溫機
4、橡膠射出機
德國款T-601/701款立式高溫熱油泵材質:
1、泵體:黃銅
2、軸套:石墨
3、軸心材質:2cr13
4、電機絕緣等級:F級
5、葉輪:黃銅
6、防護等級:IP54




